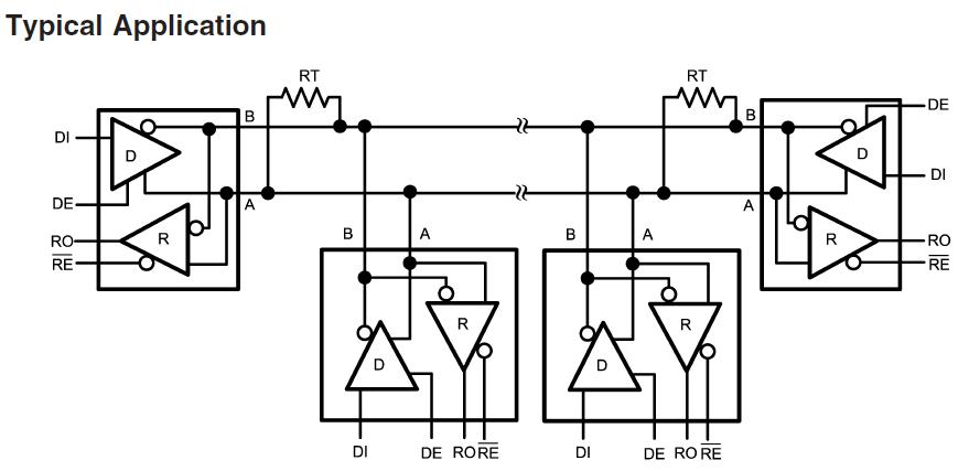
Product Summary
The S485EC is a low power differential bus/line transceiver designed for high speed bidirectional data communication on multipoint bus transmission lines. The S485EC is designed for balanced transmission lines. It meets ANSI Standards TIA/EIA RS422-B, TIA/EIA RS485-A and ITU recommendation and V.11 and X.27. The driver outputs and receiver inputs have ±15kV ESD protection. The applications of the S485EC include Low power RS-485 systems, Network hubs, bridges, and routers, Point of sales equipment (ATM, barcode scanners), Local area networks (LAN), Integrated service digital network (ISDN), Industrial programmable logic controllers, High speed parallel and serial applications, Multipoint applications with noisy environment.
Parametrics
S485EC absolute maximum ratings: (1)Supply Voltage, VCC: 6V; (2)Input Voltage, VIN (DI, DE, or RE): -0.3V to VCC + 0.3V; (3)Voltage Range at Bus Terminals (AB): -7V to 12V; (4)Receiver Output: -0.3V to VCC + 0.3V; (5)Package Thermal Impedance, θJA: SOIC: 125℃/W, DIP: 92℃/W; (6)Junction Temperature: 150℃; (7)Operating Free-Air Temperature Range, TA: Commercial: 0℃ to 70℃, Industrial: -40℃ to 85℃; (8)Storage Temperature Range: -65℃ to 150℃.
Features
S485EC features: (1)Meet ANSI standard RS-485 and RS-422; (2)Data rate 2.5 Mbps; (3)Single supply voltage operation, 5V; (4)Wide input and output voltage range; (5)Thermal shutdown protection; (6)Short circuit protection; (7)Low quiescent current 800μA (max); (8)Allows up to 32 transceivers on the bus; (9)Open circuit fail-safe for receiver; (10)Extended operating temperature range -40℃ to 85℃; (11)Drop-in replacement to MAX485E; (12)Available in 8-pin SOIC and 8-pin DIP packages.
Diagrams

(China (Mainland))






