Product Summary
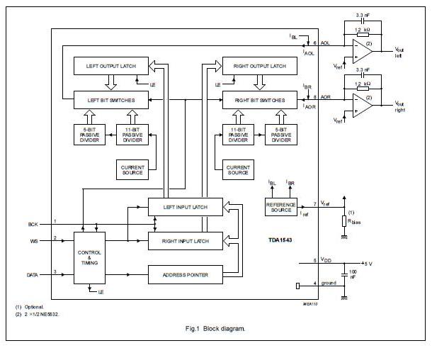
The TDA1543 is a monolithic integrated dual 16-bit digital-to-analog converter (DAC). It is designed as an economy version for use in hi-fi digital audio equipment such as Compact Disc players, digital tape or cassette recorders, digital sound in TV sets and in digital amplifiers.
Parametrics
TDA1543T absolute maximum ratings: (1)supply voltage range: 0 9 V; (2)crystal temperature: +150 ℃; (3)storage temperature range: -55 to +150 ℃; (4)operating ambient temperature range: -30 to +85 ℃; (5)Ves electrostatic handling: -2000 to +2000 V.
Features
TDA1543T features: (1)Low distortion; (2)16-bit dynamic range; (3)4 × oversampling possible; (4)Single 5 V power supply; (5)No external components required; (6)No requirement for external deglitcher circuitry due to fast settling output current; (7)Adjustable bias current; (8)Internal timing and control circuits; (9)I2S input format: time multiplexed, two’s complement, TTL.
Diagrams

![]() |
![]() TDA1001B |
![]() Other |
![]() |
![]() Data Sheet |
![]() Negotiable |
|
||||||||||||
![]() |
![]() TDA1001BT |
![]() Other |
![]() |
![]() Data Sheet |
![]() Negotiable |
|
||||||||||||
![]() |
![]() TDA10021HT |
![]() Other |
![]() |
![]() Data Sheet |
![]() Negotiable |
|
||||||||||||
![]() |
![]() TDA10025HN/C1,518 |
![]() NXP Semiconductors |
![]() Modulator / Demodulator Dual Cable (QAM) Demodulator |
![]() Data Sheet |
![]()
|
|
||||||||||||
![]() |
![]() TDA10025HN/C1,551 |
![]() NXP Semiconductors |
![]() Modulator / Demodulator DUAL CBL DEMODULATOR |
![]() Data Sheet |
![]()
|
|
||||||||||||
![]() |
![]() TDA10025HN/C1,557 |
![]() NXP Semiconductors |
![]() Modulator / Demodulator DUAL CBL DEMODULATOR |
![]() Data Sheet |
![]()
|
|
||||||||||||
(China (Mainland))








