Product Summary
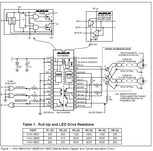
The MAX1480CCPI is a complete, electrically isolated, RS-485/RS-422 data-communications interface solution in a hybrid microcircuit. Transceivers, optocouplers, and a transformer provide a complete interface in a standard DIP package. A single +5V supply on the logic side powers both sides of the interface. The applications of the MAX1480CCPI include Isolated RS-485/RS-422 Data Interface, Transceivers for EMI-Sensitive Applications, Industrial-Control Local Area Networks, Automatic Test Equipment and HVAC/Building Control Networks.
Parametrics
MAX1480CCPI absolute maximum ratings: (1)Supply Voltage (VCC_): -0.3V to +6V; (2)Control Input Voltage (SD, FS): -0.3V to (VCC_ + 0.3V); (3)Receiver Output Voltage (RO, RO): -0.3V to (VCC_ + 0.3V); (4)Output Switch Voltage (D1, D2):+12V; (5)Control Input Voltage (ISO DE_ ): -0.3V to (ISO VCC_ + 0.3V); (6)Driver Input Voltage (ISO DI_ ): -0.3V to (ISO VCC_ + 0.3V); (7)Receiver Output Voltage (ISO RO_): -0.3V to (ISO VCC_ + 0.3V); (8)Driver Output Voltage (A, B, Y, Z ): -8V to +12.5V; (9)Receiver Input Voltage (A, B): -8V to +12.5V; (10)LED Forward Current (DI, DE, ISO RO LED): 50mA; (11)Continuous Power Dissipation: 696mW; (12)Operating Temperature Ranges: 0 to +70℃; (13)Storage Temperature Range: -65 to +160℃; (14)Lead Temperature (soldering, 10s): +300℃.
Features
MAX1480CCPI features: (1)For Integrated ESD Protection MAX1480E/MAX1490E: ±15kV ESD-Protected, Isolated RS-485/RS-422 Data Interfaces; (2)For Space-Constrained Applications MAX3157: High CMRR, RS-485 Transceiver with ±50V Isolation.
Diagrams

| Image | Part No | Mfg | Description | ![]() |
Pricing (USD) |
Quantity | ||||||||||||
|---|---|---|---|---|---|---|---|---|---|---|---|---|---|---|---|---|---|---|
![]() |
![]() MAX1480CCPI+ |
![]() Maxim Integrated Products |
![]() RS-422/RS-485 Interface IC Isolated RS-422/485 Data Interface |
![]() Data Sheet |
![]()
|
|
||||||||||||
![]() |
![]() MAX1480CCPI |
![]() Maxim Integrated Products |
![]() RS-422/RS-485 Interface IC |
![]() Data Sheet |
![]() Negotiable |
|
||||||||||||
(China (Mainland))









