Product Summary
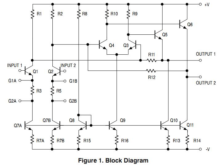
The NE592D8R2G is a monolithic, two-stage, differential output, wideband video amplifier. The NE592D8R2G offers fixed gains of 100 and 400 without external components and adjustable gains from 400 to 0 with one external resistor. The input stage has been designed so that with the addition of a few external reactive elements between the gain select terminals, the circuit can function as a high-pass, low-pass, or band-pass filter. This feature makes the NE592D8R2G ideal for use as a video or pulse amplifier in communications, magnetic memories, display, video recorder systems, and floppy disk head amplifiers. Now available in an 8-pin version with fixed gain of 400 without external components and adjustable gain from 400 to 0 with one external resistor. The applications of the NE592D8R2G include Floppy Disk Head Amplifier, Video Amplifier, Pulse Amplifier in Communications, Magnetic Memory and Video Recorder Systems.
Parametrics
NE592D8R2G abslute maximum ratings: (1)Supply Voltage, VCC: ±8.0 V; (2)Differential Input Voltage, VIN: ±5.0 V; (3)Common-Mode Input Voltage, VCM: ±6.0 V; (4)Output Current, IOUT: 10 mA; (5)Operating Ambient Temperature Range, TA: 0 to +70℃; (6)Operating Junction Temperature, TJ: 150℃; (7)Storage Temperature Range, TSTG: 65 to +150℃; (8)Maximum Power Dissipation: 0.98W; (9)Thermal Resistance, Junction-to-Ambient, RθJA: 145℃/W.
Features
NE592D8R2G features: (1)120 MHz Unity Gain Bandwidth; (2)Adjustable Gains from 0 to 400; (3)Adjustable Pass Band; (4)No Frequency Compensation Required; (5)Wave Shaping with Minimal External Components; (6)MIL-STD Processing Available; (7)Pb-Free Packages are Available.
Diagrams

| Image | Part No | Mfg | Description | ![]() |
Pricing (USD) |
Quantity | ||||||||||||
|---|---|---|---|---|---|---|---|---|---|---|---|---|---|---|---|---|---|---|
![]() |
![]() NE592D8R2G |
![]() ON Semiconductor |
![]() Operational Amplifiers - Op Amps 2 Stage Diff Output Wideband Video |
![]() Data Sheet |
![]()
|
|
||||||||||||
| Image | Part No | Mfg | Description | ![]() |
Pricing (USD) |
Quantity | ||||||||||||
![]() |
![]() NE590 |
![]() Other |
![]() |
![]() Data Sheet |
![]() Negotiable |
|
||||||||||||
![]() |
![]() NE592D8R2 |
![]() ON Semiconductor |
![]() Operational Amplifiers - Op Amps 2 Stage Diff Output |
![]() Data Sheet |
![]() Negotiable |
|
||||||||||||
![]() |
![]() NE592D8R2G |
![]() ON Semiconductor |
![]() Operational Amplifiers - Op Amps 2 Stage Diff Output Wideband Video |
![]() Data Sheet |
![]()
|
|
||||||||||||
![]() |
![]() NE592N8G |
![]() ON Semiconductor |
![]() Operational Amplifiers - Op Amps 2 Stage Diff Output Wideband Video |
![]() Data Sheet |
![]()
|
|
||||||||||||
![]() |
![]() NE594 |
![]() Other |
![]() |
![]() Data Sheet |
![]() Negotiable |
|
||||||||||||
![]() |
![]() NE592N8 |
![]() ON Semiconductor |
![]() Operational Amplifiers - Op Amps 2 Stage Diff Output |
![]() Data Sheet |
![]() Negotiable |
|
||||||||||||
(China (Mainland))










