Product Summary
The TBA222B is a single operational amplifier. The applications of the TBA222B include amplifier and comparator.
Parametrics
TBA222B absolute maximum ratings: (1)supply voltage: ± 22 V; (2)input voltage: ± VS; (3)differential input voltage: ± 30 V; (4)output short-circuit duration: ∞; (5)junction temperature: 150 ℃; (6)storage temperature range: -65 to 125 ℃; (7)thermal resistance: 100 K/W.
Features
TBA222B features: (1)NPN input; (2)high differential input voltage; (3)short-circuit proof; (4)high voltage gain; (5)high supply voltage 44 V; (6)wide temperature range; (7)push-pull output; (8)B S1-version for high quality.
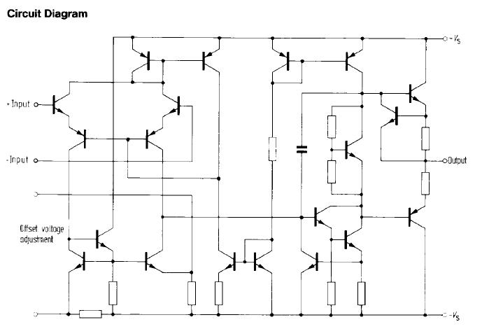
Diagrams

![]() |
![]() TBA20-12EGWA |
![]() Kingbright |
![]() LED Displays & Accessories Dot Matrix Red Grn Common Anode |
![]() Data Sheet |
![]()
|
|
||||||||||||
![]() |
![]() TBA229-2 |
![]() Other |
![]() |
![]() Data Sheet |
![]() Negotiable |
|
||||||||||||
![]() |
![]() TBA24-11EGWA |
![]() Kingbright |
![]() LED Displays & Accessories Dot Matrix Red Grn Common Anode |
![]() Data Sheet |
![]()
|
|
||||||||||||
![]() |
![]() TBA2800 |
![]() Other |
![]() |
![]() Data Sheet |
![]() Negotiable |
|
||||||||||||
![]() |
![]() TBA24-22EGWA |
![]() Kingbright |
![]() LED Displays & Accessories Dot Matrix Red Grn Common Anode |
![]() Data Sheet |
![]()
|
|
||||||||||||
![]() |
![]() TBA20-22EGWA |
![]() Kingbright |
![]() LED Displays & Accessories Dot Matrix Red Grn Common Anode |
![]() Data Sheet |
![]()
|
|
||||||||||||
(China (Mainland))









