Product Summary
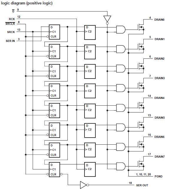
The TPIC6595DW is a monolithic, high-voltage, highcurrent power 8-bit shift register, which is designed for use in systems that require relatively high load power. The device contains a built-in voltage clamp on the outputs for inductive transient protection. The applications of the TPIC6595DW include relays, solenoids, and other medium-current or high-voltage loads.
Parametrics
TPIC6595DW absolute maximum ratings: (1)Logic supply voltage, VCC: 7 V; (2)Logic input voltage range, VI: –0.3 V to 7 V; (3)Power DMOS drain-to-source voltage, VDS: 45 V; (4)Continuous source-drain diode anode current: 1 A; (5)Pulsed source-drain diode anode current: 2 A; (6)Pulsed drain current, each output, all outputs on, IDn, TA = 25℃: 750 mA; (7)Continuous drain current, each output, all outputs on, IDn, TA = 25℃: 250 mA; (8)Peak drain current single output, IDM,TA = 25℃: 2 A; (9)Single-pulse avalanche energy, EAS: 75 mJ; (10)Avalanche current, IAS: 1 A; (11)Operating virtual junction temperature range: –40℃ to 150℃; (12)Storage temperature range: –65℃ to 150℃; (13)Lead temperature 1,6 mm (1/16 inch) from case for 10 seconds: 260℃.
Features
TPIC6595DW features: (1)Low rDS(on): 1.3 W Typical; (2)Avalanche Energy: 75 mJ; (3)Eight Power DMOS Transistor Outputs of 250-mA Continuous Current; (4)1.5-A Pulsed Current Per Output; (5)Output Clamp Voltage at 45 V; (6)Devices Are Cascadable; (7)Low Power Consumption.
Diagrams

| Image | Part No | Mfg | Description | ![]() |
Pricing (USD) |
Quantity | ||||||||||||
|---|---|---|---|---|---|---|---|---|---|---|---|---|---|---|---|---|---|---|
![]() |
![]() TPIC6595DW |
![]() Texas Instruments |
![]() Counter Shift Registers 8bit Shift |
![]() Data Sheet |
![]()
|
|
||||||||||||
![]() |
![]() TPIC6595DWG4 |
![]() Texas Instruments |
![]() Counter Shift Registers 8bit Shift |
![]() Data Sheet |
![]()
|
|
||||||||||||
![]() |
![]() TPIC6595DWR |
![]() Texas Instruments |
![]() Counter Shift Registers 8bit Shift |
![]() Data Sheet |
![]()
|
|
||||||||||||
![]() |
![]() TPIC6595DWRG4 |
![]() Texas Instruments |
![]() Counter Shift Registers 8bit Shift |
![]() Data Sheet |
![]()
|
|
||||||||||||
(China (Mainland))









