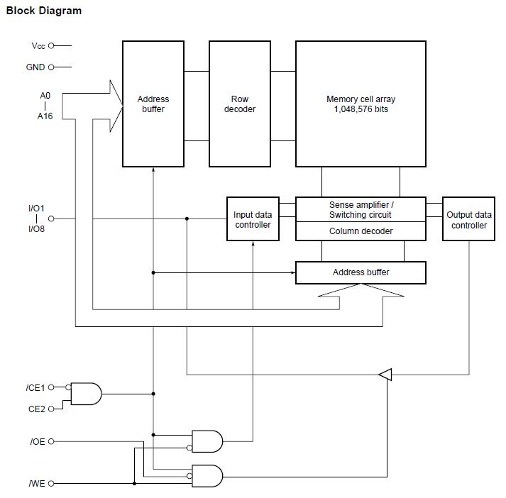
Product Summary
The UPD431000AGW-70LL is a high speed, low power, and 1,048,576 bits (131,072 words by 8 bits) CMOS static RAM. The UPD431000AGW-70LL has two chip enable pins (/CE1, CE2) to extend the capacity. And battery backup is available. In addition to this, A and B versions are low voltage operations. The UPD431000AGW-70LL is packed in 32-pin PLASTIC DIP, 32-pin PLASTIC SOP and 32-pin PLASTIC TSOP (I) (8 × 13.4 mm) and (8 × 20 mm).
Parametrics
UPD431000AGW-70LL absolute maximum ratings: (1)Supply voltage: –0.5 to +7.0 V; (2)Input / Output voltage: –0.5 to VCC + 0.5 V; (3)Operating ambient temperature: 0 to 70 ℃; (4)Storage temperature: –55 to +125 ℃.
Features
UPD431000AGW-70LL features: (1)131,072 words by 8 bits organization; (2)Fast access time: 70, 85, 100, 120, 150 ns (MAX.); (3)Low voltage operation (A version: VCC = 3.0 to 5.5 V, B version: VCC = 2.7 to 5.5 V); (4)Operating ambient temperature: TA = 0 to 70 ℃; (5)Low VCC data retention: 2.0 V (MIN.); (6)Output Enable input for easy application; (7)Two Chip Enable inputs: /CE1, CE2.
Diagrams

![]() |
![]() UPD42S16800L |
![]() Other |
![]() |
![]() Data Sheet |
![]() Negotiable |
|
||||
![]() |
![]() UPD431000A-X |
![]() Other |
![]() |
![]() Data Sheet |
![]() Negotiable |
|
||||
![]() |
![]() UPD4364CX-10 |
![]() Other |
![]() |
![]() Data Sheet |
![]() Negotiable |
|
||||
![]() |
![]() UPD441000L-X |
![]() Other |
![]() |
![]() Data Sheet |
![]() Negotiable |
|
||||
![]() |
![]() UPD4416001 |
![]() Other |
![]() |
![]() Data Sheet |
![]() Negotiable |
|
||||
![]() |
![]() UPD4416004 |
![]() Other |
![]() |
![]() Data Sheet |
![]() Negotiable |
|
||||
(China (Mainland))








