Product Summary
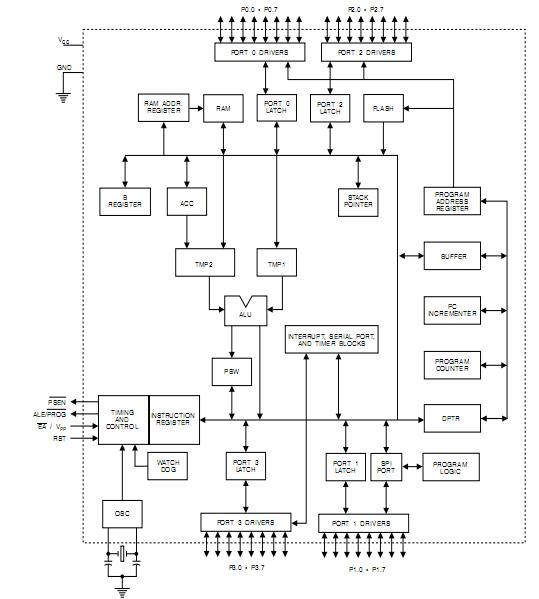
The AT89S53-24PI is a low-power, high-performance CMOS 8-bit microcomputer with 12K bytes of downloadable Flash programmable and erasable read only memory. The AT89S53-24PI is manufactured using Atmel’s high-density nonvolatile memory technology and is compatible with the industry-standard 80C51 instruction set and pinout. By combining a versatile 8-bit CPU with downloadable Flash on a monolithic chip, the Atmel AT89S53-24PI is a powerful microcomputer which provides a highly-flexible and cost-effective solution to many embedded control applications.
Parametrics
AT89S53-24PI absolute maximum ratings: (1)Operating Temperature:-55℃ to +125℃; (2)Storage Temperature:-65℃ to +150℃; (3)Voltage on Any Pin with Respect to Ground:-1.0V to +7.0V; (4)Maximum Operating Voltage:6.6V; (5)DC Output Current:15.0 mA.
Features
AT89S53-24PI features: (1)Compatible with MCS-51 Products; (2)12K Bytes of In-System Reprogrammable Downloadable Flash Memory: SPI Serial Interface for Program Downloading, Endurance: 1,000 Write/Erase Cycles; (3)4V to 6V Operating Range; (4)Fully Static Operation: 0 Hz to 24 MHz; (5)Three-level Program Memory Lock; (6)256 x 8-bit Internal RAM; (7)32 Programmable I/O Lines; (8)Three 16-bit Timer/Counters; (9)Nine Interrupt Sources; (10)Programmable UART Serial Channel; (11)SPI Serial Interface; (12)Low-power Idle and Power-down Modes; (13)Interrupt Recovery From Power-down; (14)Programmable Watchdog Timer; (15)Dual Data Pointer; (16)Power-off Flag.
Diagrams

| Image | Part No | Mfg | Description | ![]() |
Pricing (USD) |
Quantity | ||||||
|---|---|---|---|---|---|---|---|---|---|---|---|---|
![]() |
![]() AT89S53-24PI |
![]() Atmel |
![]() 8-bit Microcontrollers (MCU) w/12k |
![]() Data Sheet |
![]() Negotiable |
|
||||||
| Image | Part No | Mfg | Description | ![]() |
Pricing (USD) |
Quantity | ||||||
![]() |
![]() AT8934 |
![]() TE Connectivity |
![]() General Purpose / Industrial Relays SEALED R RELAY |
![]() Data Sheet |
![]()
|
|
||||||
![]() |
![]() AT8985P |
![]() Other |
![]() |
![]() Data Sheet |
![]() Negotiable |
|
||||||
![]() |
![]() AT8989UP |
![]() Other |
![]() |
![]() Data Sheet |
![]() Negotiable |
|
||||||
![]() |
![]() AT8992-A2-T-1 |
![]() |
![]() IC SWITCH PHY 64-TQFP |
![]() Data Sheet |
![]() Negotiable |
|
||||||
![]() |
![]() AT8992M-A2-T-1 |
![]() |
![]() IC SWITCH PHY 100-MQFP |
![]() Data Sheet |
![]() Negotiable |
|
||||||
![]() |
![]() AT8993-A2-T-1 |
![]() |
![]() IC SWITCH PHY 100-MQFP |
![]() Data Sheet |
![]() Negotiable |
|
||||||
(China (Mainland))










