Product Summary
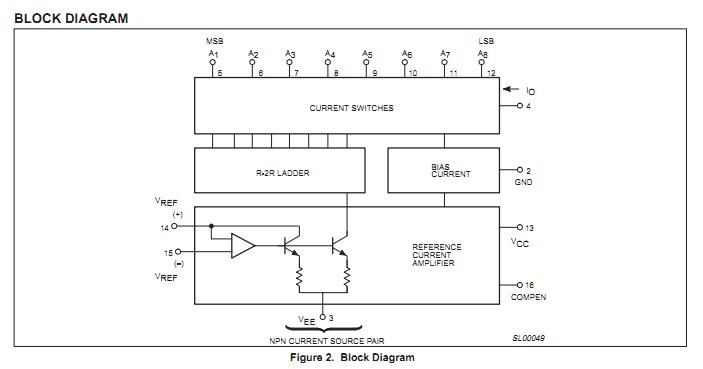
The MC1408-8N is an 8-bit monolithic digital-to-analog converter which provides high-speed performance with low cost. The MC1408-8N is designed for use where the output current is a linear product of an 8-bit digital word and an analog reference voltage. The applications of the MC1408-8N include Tracking A-to-D converters, 2 1/2-digit panel meters and DVMs, Waveform synthesis, Sample-and-Hold, Peak detector, Programmable gain and attenuation, CRT character generation, Audio digitizing and decoding, Programmable power supplies, Analog-digital multiplication, Digital-digital multiplication, Analog-digital division, Digital addition and subtraction, Speech compression and expansion, Stepping motor drive modems and Servo motor and pen drivers.
Parametrics
MC1408-8N absolute maximum ratings: (1)VCC, Positive power supply voltage: +5.5 V; (2)VEE, Negative power supply voltage: –16.5 V; (3)V5 – V12, Digital input voltage: 0 to VCC V; (4)VO, Applied output voltage: –5.2 to +18 V; (5)I14, Reference current: 5.0 mA; (6)V14, V15, Reference amplifier inputs: VEE to VCC; (7)Maximum power dissipation, PD: 1450 mW; (8)Tamb, Operating temperature range: 0 to +75℃; (9)Tstg, Storage temperature range: –65 to +150℃; (10)Tsld, Lead soldering temperature (10 sec): +230℃.
Features
MC1408-8N features: (1)Fast settling time: 70 ns (typ); (2)Relative accuracy ±0.19% (max error); (3)Non-inverting digital inputs are TTL and CMOS compatible; (4)High-speed multiplying rate 4.0 mA/μs (input slew); (5)Output voltage swing +0.5 V to –5.0 V; (6)Standard supply voltages +5.0 V and –5.0 V to –15 V.
Diagrams

![]() |
![]() MC14000UB |
![]() Other |
![]() |
![]() Data Sheet |
![]() Negotiable |
|
||||||||||||||||
![]() |
![]() MC14001B |
![]() Other |
![]() |
![]() Data Sheet |
![]() Negotiable |
|
||||||||||||||||
![]() |
![]() MC14001BCP |
![]() ON Semiconductor |
![]() IC GATE NOR QUAD CMOS 14DIP |
![]() Data Sheet |
![]()
|
|
||||||||||||||||
![]() |
![]() MC14001BCPG |
![]() ON Semiconductor |
![]() Gates (AND / NAND / OR / NOR) 3-18V Quad 2-Input NOR |
![]() Data Sheet |
![]()
|
|
||||||||||||||||
![]() |
![]() MC14001BDG |
![]() ON Semiconductor |
![]() Gates (AND / NAND / OR / NOR) 3-18V Quad 2-Input NOR |
![]() Data Sheet |
![]()
|
|
||||||||||||||||
![]() |
![]() MC14001BDR2 |
![]() |
![]() IC GATE NOR QUAD CMOS 14SOIC |
![]() Data Sheet |
![]()
|
|
||||||||||||||||
(China (Mainland))










