Product Summary
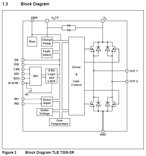
The TLE7209-2R is an intelligent full H-Bridge, designed for the control of DC and stepper motors in safety critical applications and under extreme environmental conditions. The H-Bridge of TLE7209-2R is protected against over-temperature and short circuits and has an under voltage lockout for all the supply voltages "VS" (main DC power supply). All malfunctions cause the output stages to go tristate.
Parametrics
TLE7209-2R absolute maximum ratings: (1)Junction temperature: -40 to +150 ℃; (2)Storage temperature: -55 to +125 ℃; (3)Ambient temperature: -40 to +125 ℃; (4)Supply voltage: -1 to 40 V at static destruction proof; (5)Voltage at logic inputs IN1, IN2, DIS, EN, SDI, SCK/SF: -0.5 to 18 V In status-flag-mode, SF pull-up R ≥ 10 kΩ; (6)Voltage at logic input CSN: -0.5 to 40 V; (7)Voltage at logic input DMS and logic output SDO: -0.5 to 13 V.
Features
TLE7209-2R features: (1)Operating supply voltage 5 V to 28 V; (2)Typical RDSon = 150mΩ for each output transistor (at 25 ℃); (3)Continuous DC load current 3.5 A (TC < 100 ℃); (4)Output current limitation at typ. 6.6 A±1.1 A; (5)Short circuit shut-down for output currents over 8 A; (6)Logic- inputs TTL/CMOS-compatible; (7)Output switching frequency up to 30 kHz; (8)Rise and fall times optimized for 0.5-2 kHz; (9)Over-temperature protection; (10)Short circuit protection; (11)Undervoltage disable function.
Diagrams

| Image | Part No | Mfg | Description | ![]() |
Pricing (USD) |
Quantity | ||||||||||||
|---|---|---|---|---|---|---|---|---|---|---|---|---|---|---|---|---|---|---|
![]() |
![]() TLE7209-2R |
![]() Infineon Technologies |
![]() Motor / Motion / Ignition Controllers & Drivers 7A H-Bridge 150mA DC-MOTORAPPS |
![]() Data Sheet |
![]() Negotiable |
|
||||||||||||
| Image | Part No | Mfg | Description | ![]() |
Pricing (USD) |
Quantity | ||||||||||||
![]() |
![]() TLE7181EM |
![]() Infineon Technologies |
![]() Motor / Motion / Ignition Controllers & Drivers |
![]() Data Sheet |
![]()
|
|
||||||||||||
![]() |
![]() TLE7181EMXT |
![]() Infineon Technologies |
![]() Motor / Motion / Ignition Controllers & Drivers |
![]() Data Sheet |
![]() Negotiable |
|
||||||||||||
![]() |
![]() TLE7182EM |
![]() Infineon Technologies |
![]() Motor / Motion / Ignition Controllers & Drivers |
![]() Data Sheet |
![]()
|
|
||||||||||||
![]() |
![]() TLE7182EMXT |
![]() Infineon Technologies |
![]() Motor / Motion / Ignition Controllers & Drivers |
![]() Data Sheet |
![]() Negotiable |
|
||||||||||||
![]() |
![]() TLE7183F |
![]() Infineon Technologies |
![]() Motor / Motion / Ignition Controllers & Drivers 3 PHASE BRIDGE DRIVER IC |
![]() Data Sheet |
![]()
|
|
||||||||||||
![]() |
![]() TLE7184F |
![]() Infineon Technologies |
![]() Motor / Motion / Ignition Controllers & Drivers GATE DRIVER ICS FOR EXTERNAL MOSFETS |
![]() Data Sheet |
![]()
|
|
||||||||||||
(China (Mainland))










