Product Summary
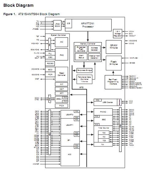
The AT91SAM7S64C-AU is a series of low pincount Flash microcontrollers based on the 32-bit ARMRISC processor. The AT91SAM7S64C-AU features a high-speed Flash and an SRAM, a large set of peripherals, includ-ing a USB 2.0 device (except for the AT91SAM7S32 and AT91SAM7S16), and a complete setof system functions minimizing the number of external components. The AT91SAM7S64C-AU is an idealmigration path for 8-bit microcontroller users looking for additional performance and extended memory.
Parametrics
AT91SAM7S64C-AU absolute maximum ratings: (1) Operating Temperature (Industrial) : -40°C to +85°C; (2) Storage Temperature: -60°C to +150°C; (3) Voltage on Input Pins with Respect to Ground : -0.3V to +5.5V; (4) Maximum Operating Voltage (VDDCORE, and VDDPLL) : 1.95V; (5) Maximum Operating Voltage (VDDIO, VDDIN and VDDFLASH) : 3.6V; (6) Total DC Output Current on all I/O line: 150mA.
Features
AT91SAM7S64C-AU features: (1) Incorporates the ARM7TDMI ARM Thumb Processor; (2) 64 Kbytes of Internal High-speed Flash, Organized in 512 Pages of 128 Bytes; (3) 16 Kbytes of Internal High-speed SRAM, Single-cycle Access at Maximum Speed; (4) Power Management Controller (PMC); (5) Advanced Interrupt Controller (AIC) ; (6) Periodic Interval Timer (PIT) ; (7) Windowed Watchdog (WDT) ; (8) One Master/Slave Serial Peripheral Interface (SPI) .
Diagrams

| Image | Part No | Mfg | Description | ![]() |
Pricing (USD) |
Quantity | ||||||||||
|---|---|---|---|---|---|---|---|---|---|---|---|---|---|---|---|---|
![]() |
![]() AT91SAM7S64C-AU |
![]() Atmel |
![]() ARM Microcontrollers (MCU) 64K Flash SRAM 16K ARM based MCU |
![]() Data Sheet |
![]()
|
|
||||||||||
![]() |
![]() AT91SAM7S64C-AU-999 |
![]() Atmel |
![]() ARM Microcontrollers (MCU) 64K Flash SRAM 16K ARM based MCU |
![]() Data Sheet |
![]()
|
|
||||||||||
(China (Mainland))










