Product Summary
The TL052CP is a JFET-input operational amplifier, which offers improved dc and ac characteristics over the TL07x and TL08x families of BiFET operational amplifiers.
Parametrics
TL052CP absolute maximum ratings: (1)Supply voltage, VCC+: 18 V; (2)Supply voltage, VCC–: –18 V; (3)Differential input voltage: ±30 V; (4)Input voltage range, VI: ±15 V; (5)Input current, II (each input): ±1 mA; (6)Output current, IO (each output): ±80 mA; (7)Total current into VCC+: 160 mA; (8)Total current out of VCC–: 160 mA; (9)Duration of short-circuit current at (or below) 25℃: unlimited; (10)Storage temperature range: –65℃ to 150℃; (11)Case temperature for 60 seconds: FK package: 260℃; (12)Lead temperature 1,6 mm (1/16inch) from case for 10 seconds: D, N, or P package: 260℃; (13)Lead temperature 1,6 mm (1/16inch) from case for 60 seconds: J or JG package: 300℃.
Features
TL052CP features: (1)Direct Upgrades to TL07x and TL08x BiFET Operational Amplifiers; (2)Faster Slew Rate (20 V/ms Typ) Without Increased Power Consumption; (3)On-Chip Offset Voltage Trimming for Improved DC Performance and Precision Grades Are Available (1.5 mV, TL051A); (4)Available in TSSOP for Small Form-Factor Designs.
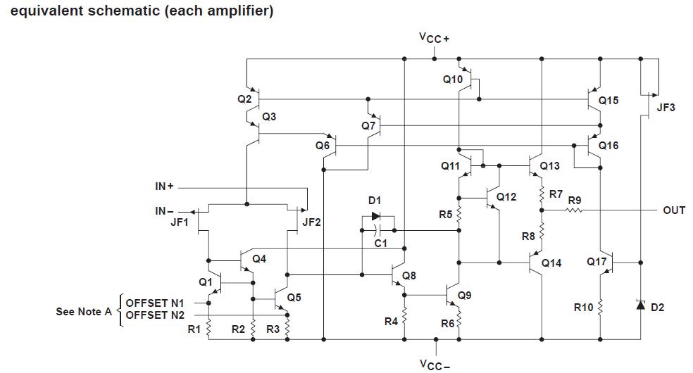
Diagrams

| Image | Part No | Mfg | Description | ![]() |
Pricing (USD) |
Quantity | ||||||||||||
|---|---|---|---|---|---|---|---|---|---|---|---|---|---|---|---|---|---|---|
![]() |
![]() TL052CPSRE4 |
![]() Texas Instruments |
![]() Operational Amplifiers - Op Amps Dual Enhanced JFET Precision |
![]() Data Sheet |
![]()
|
|
||||||||||||
![]() |
![]() TL052CPSRG4 |
![]() Texas Instruments |
![]() Operational Amplifiers - Op Amps Dual Enh JFET Prec Op Amp |
![]() Data Sheet |
![]()
|
|
||||||||||||
![]() |
![]() TL052CPSR |
![]() Texas Instruments |
![]() Operational Amplifiers - Op Amps Dual Enh JFET |
![]() Data Sheet |
![]()
|
|
||||||||||||
![]() |
![]() TL052CPE4 |
![]() Texas Instruments |
![]() Operational Amplifiers - Op Amps Dual Enhanced JFET Precision |
![]() Data Sheet |
![]()
|
|
||||||||||||
![]() |
![]() TL052CP |
![]() Texas Instruments |
![]() Operational Amplifiers - Op Amps Enhanced Prec D |
![]() Data Sheet |
![]()
|
|
||||||||||||
(China (Mainland))









