Product Summary
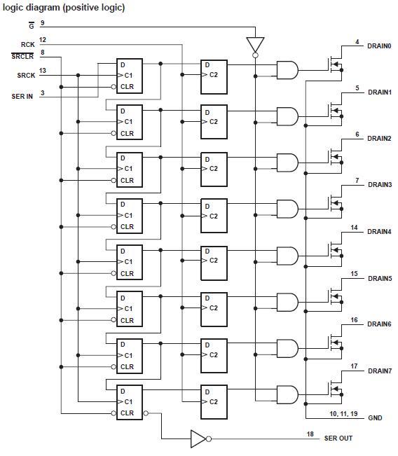
The TPIC6B595DWR is a monolithic, high-voltage, medium-current power 8-bit shift register designed for use in systems that require relatively high load power. The device contains a built-in voltage clamp on the outputs for inductive transient protection. The applications of the TPIC6B595DWR include relays, solenoids, and other mediumcurrent or high-voltage loads.
Parametrics
TPIC6B595DWR absolute maximum ratings: (1)Logic supply voltage, VCC: 7 V; (2)Logic input voltage range, VI: –0.3 V to 7 V; (3)Power DMOS drain-to-source voltage, VDS: 50 V; (4)Continuous source-drain diode anode current: 500 mA; (5)Pulsed source-drain diode anode current: 1 A; (6)Pulsed drain current, each output, all outputs on, IDn, TA = 25℃: 500 mA; (7)Continuous drain current, each output, all outputs on, IDn, TA = 25℃: 150 mA; (8)Peak drain current single output, IDM,TA = 25℃: 500 mA; (9)Single-pulse avalanche energy, EAS: 30 mJ; (10)Avalanche current, IAS: 500 mA; (11)Operating virtual junction temperature range: –40℃ to 150℃; (12)Storage temperature range: –65℃ to 150℃; (13)Lead temperature 1,6 mm (1/16 inch) from case for 10 seconds: 260℃.
Features
TPIC6B595DWR features: (1)Low rDS(on): 5 Ω Typical; (2)Avalanche Energy: 30 mJ; (3)Eight Power DMOS Transistor Outputs of 150-mA Continuous Current; (4)500-mA Pulsed Current Per Output; (5)Output Clamp Voltage at 50 V; (6)Devices Are Cascadable; (7)Low Power Consumption.
Diagrams

| Image | Part No | Mfg | Description | ![]() |
Pricing (USD) |
Quantity | ||||||||||||
|---|---|---|---|---|---|---|---|---|---|---|---|---|---|---|---|---|---|---|
![]() |
![]() TPIC6B595DWR |
![]() Texas Instruments |
![]() Counter Shift Registers Power 8-Bit Shift |
![]() Data Sheet |
![]()
|
|
||||||||||||
![]() |
![]() TPIC6B595DWRG4 |
![]() Texas Instruments |
![]() Counter Shift Registers Power 8-Bit Shift |
![]() Data Sheet |
![]()
|
|
||||||||||||
(China (Mainland))









